在IGBT的应用中,门极振荡是最常见的挑战之一。它不仅影响开关性能,还可能引发过压、过热甚至器件损坏。导致振荡的原因多样,主要包括:
- IGBT自身寄生参数
- 驱动电路设计不合理
- 电源电压波动
- 温度变化
- 外部电磁干扰
- 器件老化
若排除外部干扰,仅从驱动电路本身分析,门极振荡主要可分为三类:
- 开通振荡
- 关断振荡
- 短路振荡
其中,关断振荡与短路振荡常被合并称为射频振荡。
一、开通振荡
在IGBT开通过程中,门极驱动波形出现振荡,通常由以下原因导致:
1. 驱动能力不足
若驱动电流偏小,对米勒电容CGC充电缓慢,可能引起电压爬升过程中的振荡。
解决方法:
适当减小门极电阻RG,提升驱动电流。一般可尝试将其调整为原值的 0.6~0.8倍,并通过实验验证。
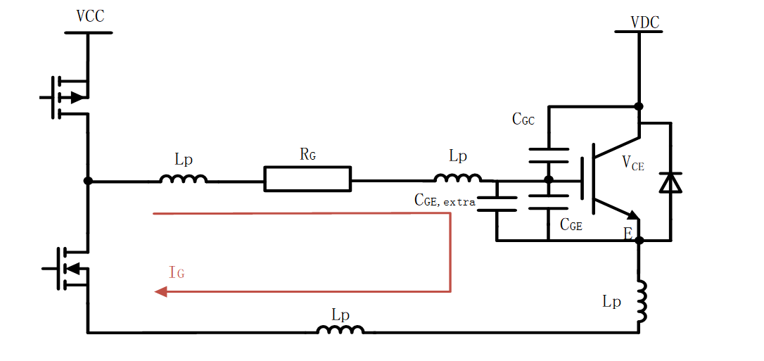
2. 驱动回路寄生电感引起振荡
驱动回路中的寄生电感Lp与IGBT的输入电容Cies构成LC谐振电路,在开关激励下易产生振荡。

解决方法:
- 优化PCB布局,缩短驱动环路,减小寄生电感。
- 在满足开关速度要求的前提下,可在GE 间并联合适的电容CGE,extra,改变谐振频率,抑制振荡。
3. 直流母线杂散电感过大
母线寄生电感Lp在开关过程中会引起电压尖峰,并通过耦合影响门极信号。
解决方法:
- 优化母线结构,采用叠层或低感排设计。
- 在CE间并联无感吸收电容,抑制电压过冲。
二、射频振荡
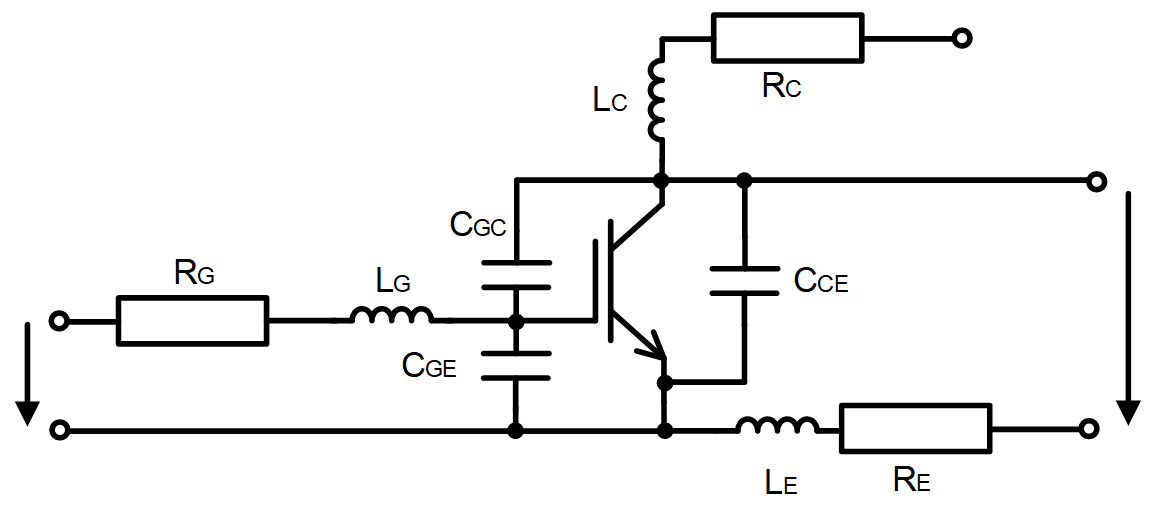
当IGBT工作在放大区时,其与寄生参数构成反馈回路。若反馈信号存在相位偏移,可能形成正反馈,引发高频振荡。下图是由CGC、CGE、CCE和杂散电感LG等构成的振荡回路。

IGBT和寄生元件形成LC振荡电路
2.1 关断振荡
在关断过程中,dVCE/dt 变化通过米勒电容产生位移电流IGC,反馈至门极。尤其在硬关断且集电极电流IC较大时,CGC随电流增大而增加,更易引发振荡。
下表为影响IGBT关断时振荡的主要参数
| 振荡类型 | 振荡时刻 | 振荡频率 | 影响因素 |
| 关断振荡 | 关断过程中的Miller平台 | 约几十MHZ | 门极电阻,模块封装IGBT参数,dVCE/dt,IC |
应对建议:
若振荡幅度小且偶发,可暂不处理;若频繁或幅值大,可适当调整门极电阻。
2.2 短路振荡
此处主要讨论一类短路(IGBT在开通前已处于短路状态)。在短路电流稳定后,门极电压 VGE、集射电压VCE 与集电极电流IC均可能出现明显振荡。
| 振荡时刻 | 振荡频率 | 影响因素 |
| 短路电路稳定后 | 10~20MHz | 模块内部结构,IGBT特性,低VCE,高VGE |
抑制方法:
增大门极电阻RG,提升驱动回路阻尼。例如,在1700V Econo Dual模块短路测试中,将RGon 从3.75Ω改为6.5Ω后GE振荡明显改善。

RGon=3.75Ω,振荡明显

RGon=6.5Ω,振荡显著抑制
三、门极电阻与电容的选择
3.1 临界门极电阻计算
为避免振荡,门极回路总电阻应大于某一临界值。根据RLC二阶电路分析,在开通和关断时,假设IGBT的内部电容CGE恒定,引起振荡的最小门极电阻RG,min为:

式中,∑LG为门极负载电感总和LG + LGon或LG + LGoff(H),LG为寄生电感,LGon与LGoff为独立的引线电感。
从公式中可以看出,如果电感LG比较大,相应的门极电阻RG的值也必须增大,以避免振荡,尤其要注意RGon选值,太小的话,IGBT开通过快,一方面造成二极管的反向恢复损耗增加,甚至会导致续流二极管会发生跳变行为,从而引起振荡,还有可能损坏二极管。
3.2 门极电容的作用
在GE间并联外部电容CGE,extra,可增大振荡回路总电容:

根据谐振频率公式:

增大Ctotal可降低谐振频率,有助于抑制高频振荡。
小结
抑制IGBT门极振荡需综合施策:
- 优化布局:缩短驱动环路,降低寄生参数。
- 调整电阻:合理选择RG,平衡开关速度与阻尼。
- 吸收设计:使用无感电容抑制电压尖峰。
- 容性补偿:必要时并联CGE,extra改变谐振特性。
通过上述措施,可显著提升系统稳定性,保障IGBT长期可靠运行。
参考文献 :
[1] 英飞凌. 《IGBT驱动电流行为综述》
[2] 英飞凌. 《IGBT模块:技术、驱动和应用》